Presentations
Templates
Features
Teams
Pricing
Log in
Sign up
Log in
Sign up
Menu
臨時後站及跨站天橋
基礎結構鋼筋計算
施皓瀚 王禮恩
1
簡報目錄
圖說解釋
鋼筋種類
計算說明
問題查驗
結果報告
2
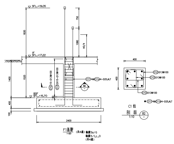
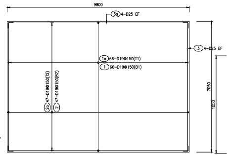
圖說解釋
基礎 - 以
F1
基礎為例
3
圖說解釋
柱 - 以
C1
柱為例
4
鋼筋種類
以規格分
Source: Wikipedia
5
鋼筋種類
以形狀分
吊筋
彎鉤
箍筋
直筋
6
計算說明
以處數
X
支數替代總支數
7
計算說明
以
IFS
函數自動偵測單位重
8
問題查驗
跨站天橋總表之缺失
9
問題查驗
跨站天橋總表之缺失
10
問題查驗
跨站天橋總表之缺失
11
結果報告
臨時後站鋼筋總重
12
結果報告
跨站天橋鋼筋總重
感謝聆聽
13
deck
By spacezpr
Made with Slides.com
deck
91
spacezpr
More from
spacezpr