Conversión de Energía Electromecánica
Unidad 2: Transformadores
Ing. Oscar Alonso Rosete Beas
Semana 13 Septiembre Rev:2 ciclo 2021-2
oscarrosete.com


Agenda
2.1. Principio de operación de los transformadores y sus aplicaciones
2.2. El transformador ideal
2.3. Operación y pérdidas en un transformador real
2.4. Transformadores mono y trifásicos
2.5. El autotransformador
2.6. Transformadores para instrumentos
Unidad 2: Transformadores
oscarrosete.com
Unidad 2

oscarrosete.com
Agenda
2.1. Principio de operación de los transformadores y sus aplicaciones
2.2. El transformador ideal
2.3. Operación y pérdidas en un transformador real
2.4. Transformadores mono y trifásicos
2.5. El autotransformador
2.6. Transformadores para instrumentos
Extra: sistema por unidad
Unidad 2: Transformadores
oscarrosete.com
20/09
Un transformador es un dispositivo que cambia la potencia eléctrica alterna con un nivel de voltaje a potencia eléctrica alterna con otro nivel de voltaje mediante la acción de un campo magnético.
Transformador
oscarrosete.com
20/09


Consta de dos o más bobinas de alambre conductor enrolladas alrededor de un núcleo ferromagnético común.
Estas bobinas (normalmente) no están conectadas en forma directa. La única conexión entre las bobinas es el flujo magnético común que se encuentra dentro del núcleo.
Transformador

oscarrosete.com
20/09
Uno de los devanados del transformador se conecta a una fuente de energía eléctrica alterna y el segundo (y quizá el tercero) suministra energía eléctrica a las cargas.
oscarrosete.com
Transformador

20/09
El devanado del transformador que se conecta a la fuente de potencia se llama devanado primario o devanado de entrada, y el devanado que se conecta a la carga se llama devanado secundario o devanado de salida.
Si hay un tercer devanado en el transformador, se llama devanado terciario.
oscarrosete.com
Transformador

20/09
El primer sistema de distribución de potencia que se usó en Estados Unidos fue uno de corriente directa de 120 V inventado por Thomas Alva Edison para suministrar potencia a las bombillas incandescentes.
La primera central de potencia de Edison entró en operación en la ciudad de Nueva York en septiembre de 1882.
Antes
oscarrosete.com
20/09
Desafortunadamente, este sistema de potencia generaba y transmitía potencia a tan bajos voltajes que se requerían corrientes muy altas para suministrar cantidades significativas de potencia. Estas corrientes altas ocasionaban enormes caídas de voltaje y pérdidas de potencia en las líneas de transmisión y restringían mucho el área de servicio de las estaciones de generación. En la década de 1880 las centrales generadoras se localizaban a muy pocas calles entre sí para evitar este problema.
oscarrosete.com
Antes
20/09
La invención del transformador y el desarrollo simultáneo de las fuentes de potencia alterna eliminaron para siempre las restricciones referentes al alcance y al nivel de los sistemas de potencia.
Un transformador cambia, idealmente, un nivel de voltaje alterno a otro nivel de voltaje sin afectar la potencia que se suministra. Si un transformador eleva el nivel de voltaje en un circuito, debe disminuir la corriente para mantener la potencia que entra en el dispositivo igual a la potencia que sale de él.
Invención del transformador y c.a.

oscarrosete.com
20/09
De esta manera, a la potencia eléctrica alterna que se genera en un sitio determinado, se le eleva el voltaje para transmitirla a largas distancias con pocas pérdidas y luego se reduce para dejarla nuevamente en el nivel de utilización final.
Invención del transformador y c.a.
oscarrosete.com
20/09

Puesto que las pérdidas de transmisión en las líneas de un sistema de potencia son proporcionales al cuadrado de la corriente, al elevar con transformadores 10 veces el voltaje de transmisión se reduce la corriente en el mismo número de veces y las pérdidas de transmisión se reducen 100 veces.
Invención del transformador y c.a.
oscarrosete.com
20/09

En un sistema moderno de potencia se genera potencia eléctrica a voltajes de 12 a 25 kV. Los transformadores elevan el voltaje hasta niveles comprendidos entre 110 kV y cerca de 1 000 kV para ser transmitido a grandes distancias con pocas pérdidas. Posteriormente, los transformadores bajan el voltaje a un nivel de entre 12 kV y 34.5 kV para su distribución local y para permitir que la potencia eléctrica se pueda utilizar con seguridad en los hogares, oficinas y fábricas a voltajes tan bajos como 120 V.
Ahora
oscarrosete.com
20/09
El propósito principal de un transformador es convertir la potencia alterna de un nivel de voltaje en potencia alterna de la misma frecuencia pero con otro nivel de voltaje.
Los transformadores también se utilizan para otros propósitos (por ejemplo, para muestreo de voltaje, muestreo de corriente y acoplamiento de impedancia).
Transformador de potencia

oscarrosete.com
20/09
Los transformadores de potencia se construyen de dos maneras.
Un tipo de transformador consta de una pieza de acero rectangular, laminada, con los devanados enrollados sobre dos de los lados del rectángulo. Esta clase de construcción, conocido como transformador tipo núcleo, se ilustra en la figura.

oscarrosete.com
Transformador de potencia
20/09

Transformador de potencia
oscarrosete.com
20/09
El otro consta de un núcleo laminado de tres columnas, cuyas bobinas están enrolladas en la columna central. Esta clase de construcción se conoce como transformador tipo acorazado y se ilustra en la figura. En cualquier caso, el núcleo se construye con delgadas láminas aisladas eléctricamente unas de otras para minimizar las corrientes parásitas.


Transformador de potencia
oscarrosete.com
20/09
A los transformadores de potencia se les llama de diferentes maneras, dependiendo de su uso en los sistemas de potencia. A un transformador conectado a la salida de un generador y que se usa para aumentar su voltaje a niveles de transmisión (más de 110 kV) a veces se le llama transformador de unidad.
Al transformador que se encuentra al final de la línea de transmisión, que baja el voltaje de niveles de transmisión a niveles de distribución (de 2.3 a 34.5 kV) se le llama transformador de subestación.
Transformador de potencia
oscarrosete.com
20/09
Por último, al transformador que toma el voltaje de distribución y lo disminuye hasta el voltaje final al que se utiliza la potencia (110, 208, 220V, etc.) se le llama transformador de distribución. Todos estos dispositivos son esencialmente iguales; la única diferencia entre ellos es el uso que se les da.
Además de los diferentes transformadores de potencia, hay dos transformadores para propósitos especiales que se utilizan con maquinaria eléctrica y sistemas de potencia, el transformador de potencial y transformador de corriente.
Transformador de potencia
oscarrosete.com
20/09
Un transformador ideal es un dispositivo sin pérdidas que tiene un devanado de entrada y un devanado de salida. Las relaciones entre el voltaje de entrada y el de salida, y entre la corriente de entrada y la de salida, se describen en dos sencillas ecuaciones.
Un transformador con NP vueltas de alambre en su lado primario y NS vueltas de alambre en su lado secundario. La relación entre el voltaje vP(t) aplicado al lado primario del transformador y el voltaje vS(t) producido en el lado secundario es:

Transformador ideal
oscarrosete.com
20/09
a se define como la relación de transformación del transformador:



Transformador ideal
oscarrosete.com
20/09


Transformador ideal
oscarrosete.com
20/09





Transformador ideal
oscarrosete.com
20/09
En un transformador real sería posible saber la polaridad secundaria sólo si se lo abriera y se examinaran sus devanados. Para evitar esto, los transformadores utilizan la convención de puntos:
Los puntos que aparecen en un extremo de cada devanado en la figura muestran la polaridad del voltaje y de la corriente en el lado secundario del transformador

Polaridad en el voltaje circuito secundario
oscarrosete.com
20/09
Si el voltaje primario es positivo en el extremo del devanado marcado con punto con respecto al extremo que no tiene marca, entonces el voltaje secundario también es positivo en el extremo marcado con punto. Las polaridades de voltaje son las mismas con respecto a los puntos en cada lado del núcleo.
Si la corriente primaria del transformador fluye hacia dentro en el extremo marcado con punto del devanado primario, la corriente secundaria fluirá hacia fuera en el extremo marcado con punto del devanado secundario.
Polaridad en el voltaje circuito secundario
oscarrosete.com
20/09
Polaridad en el voltaje circuito secundario
oscarrosete.com
20/09


Polaridad en el voltaje circuito secundario
oscarrosete.com
20/09

Polaridad en el voltaje circuito secundario
oscarrosete.com
20/09
- La impedancia de un dispositivo o un elemento se define como la relación entre el voltaje fasorial que actúa a través de él y la corriente fasorial.
- Una de las propiedades interesantes de un transformador es que, debido a que cambia los niveles de voltaje y corriente, cambia la relación entre el voltaje y la corriente y, por lo tanto, la impedancia aparente de un elemento.
Transformación de impedancia


oscarrosete.com
20/09
Ejemplos
oscarrosete.com
20/09
1. Un transformador ideal tiene capacidad nominal de 2400/120V, 9.6kVA y 50 vueltas en el lado secundario.
Calcule: a) la razón de vueltas, b) el número de vueltas en el lado primario y c) las capacidades nominales de corriente de los devanados primario y secundario.
2. La corriente primaria que entra a un transformador ideal con capacidad nominal de 2200/110 V es de 5A.
Calcule: a) la razón de vueltas, b) la capacidad nominal en kVA, c) la corriente secundaria
Ejemplos

oscarrosete.com
20/09
En referencia al circuito con transformador ideal de la figura, halle: a) la corriente de fuente I1, b) la tensión de salida V0 y c) la potencia compleja suministrada por la fuente.
Agenda
2.1. Principio de operación de los transformadores y sus aplicaciones
2.2. El transformador ideal
2.3. Operación y pérdidas en un transformador real
2.4. Transformadores mono y trifásicos
2.5. El autotransformador
2.6. Transformadores para instrumentos
Extra: sistema por unidad
Unidad 2: Transformadores
oscarrosete.com
oscarrosete.com
21/09
Por efecto de esta convención se coloca una marca en un extremo de cada una de las dos bobinas acopladas magnéticamente de un circuito, para indicar la dirección del flujo magnético si entra una corriente en la terminal marcada de la bobina.
Es importante saber cómo obtener la polaridad apropiada de las tensiones y la dirección de las corrientes del transformador. Si la polaridad de V1 o V2 o la dirección de I1 o I2 cambia, podría ser necesario reemplazar a en las ecuaciones por -a

oscarrosete.com
21/09
Convención del punto
Las dos reglas simples por seguir son:
1. Si tanto V1 como V2 son ambas positivas o negativas en las terminales con marca, se usa n en la ecuación. De lo contrario, se usa -n.
2. Si tanto I1 como I2 ambas entran o salen de las terminales marcadas, se usa -n en la ecuación. De lo contrario, se usa n.
Fundamentos de Circuitos Eléctricos.Charles K. Alexander
Convención del punto
oscarrosete.com
21/09

La inductancia mutua es la capacidad de un inductor de inducir una tensión en un inductor cercano, medida en henrys (H).
Un transformador es por lo general un dispositivo de cuatro terminales que comprende dos (o más) bobinas magnéticamente acopladas. Utiliza el fenómeno de la inductancia mutua.
Se dice que un transformador es ideal si posee las siguientes propiedades:
Terminología
oscarrosete.com
21/09
Se dice que un transformador es ideal si posee las siguientes propiedades:
- Las bobinas tienen reactancias muy grandes (L1, L2, M → ∞).
- El coeficiente de acoplamiento es igual a la unidad (k=1)
- Las bobinas primaria y secundaria no tienen pérdidas (R1=0=R2).
Un transformador ideal es un transformador de acoplamiento unitario sin pérdidas en el que las bobinas primaria y secundaria tienen autoinductancias infinitas.
oscarrosete.com
21/09
Transformador Ideal




La capacidad nominal de los transformadores suele especificarse como V1/V2. Un transformador con capacidad nominal de 2 400/120 V debe tener 2 400 V en el devanado primario y 120 en el secundario
oscarrosete.com
21/09
Transformador Ideal



La potencia compleja en el devanado primario es
oscarrosete.com
21/09
Transformador Ideal



La regla general para eliminar el transformador y reflejar el circuito secundario en el lado primario es:
oscarrosete.com
21/09
Transformador Ideal
Un sistema de potencia monofásico consta de un generador de 480 V y 60 Hz que suministra potencia a una carga 4 +j3 a través de una línea de transmisión de impedancia 0.18 +j0.24.
¿Cuál será el voltaje en la carga?
¿Cuáles serán las pérdidas en la línea de transmisión?
Análisis eléctrico transformador ideal

oscarrosete.com
21/09
Suponga que un transformador elevador 1:10 se coloca en el extremo del generador de la línea de transmisión y que un transformador reductor 10:1 se coloca en el extremo de carga de la línea de transmisión ¿Cuál será ahora el voltaje de la carga? ¿Cuáles serán las pérdidas en la línea de transmisión?

oscarrosete.com
21/09
Análisis eléctrico transformador ideal
Nótese que al elevar el voltaje de transmisión del sistema de potencia se reducen las pérdidas de transmisión casi 90 veces. Además, el voltaje de la carga cayó mucho menos en el sistema con transformadores en comparación con el sistema sin transformadores.
Este simple ejemplo ilustra la ventaja de utilizar líneas de transmisión con voltajes más altos, así como la extrema importancia de los transformadores en los sistemas de potencia modernos.
oscarrosete.com
21/09
Análisis eléctrico transformador ideal
Ejercicios alumnos

Text
oscarrosete.com
21/09
En el circuito con transformador ideal de la figura, halle Vo y la potencia compleja suministrada por la fuente.
Calcule la potencia suministrada a la resistencia de 10 ohms en el circuito con transformador ideal de la figura

oscarrosete.com
21/09
Análisis eléctrico transformador ideal
Ejercicios alumnos
Text

oscarrosete.com
21/09
Halle Vo en el circuito de la figura
Incluya simulación para comprobar a través de multisim live

Teoría de operación de transformadores monofásicos reales
oscarrosete.com
30/09
Los transformadores ideales que se describen por supuesto que no se pueden fabricar. Los que sí se pueden hacer son transformadores reales: dos o más bobinas de alambre enrollado alrededor de un núcleo ferromagnético.
Las características de un transformador real son muy parecidas a las de un transformador ideal, pero sólo hasta cierto punto.
Teoría de operación de transformadores monofásicos reales
oscarrosete.com
30/09
Dibujo de un transformador real sin carga en el secundario
Teoría de operación de transformadores monofásicos reales
oscarrosete.com
30/09

En la figura se puede ver un transformador que consta de dos bobinas de alambre enrollado alrededor del núcleo de un transformador. El transformador primario está conectado a una fuente de potencia de ca y el devanado secundario está abierto. La curva de histéresis del transformador se muestra en la figura superior derecha.

Teoría de operación de transformadores monofásicos reales
oscarrosete.com
30/09

La base de la operación de un transformador se puede derivar de la ley de Faraday
donde l es el flujo concatenado en la bobina a través de la cual se induce el voltaje. El flujo concatenado es la suma del flujo que pasa a través de cada vuelta en todas las vueltas de la bobina:



Teoría de operación de transformadores monofásicos reales
oscarrosete.com
30/09

Sin embargo, es posible defi nir el fl ujo promedio por vuelta en una bobina. Si el flujo ligado total en todas las vueltas de la bobina es l y si hay N vueltas, entonces el flujo promedio por vuelta está dado por
La ley de Faraday se puede escribir de la siguiente manera



Teoría de operación de transformadores monofásicos reales
oscarrosete.com
30/09

Flujo mutuo y disperso en el núcleo de un transformador
Teoría de operación de transformadores monofásicos reales
oscarrosete.com
30/09
Cuando se conecta una fuente de potencia de ca a un transformador, como se muestra en la figura, la corriente fluye en su circuito primario, incluso si el circuito secundario está abierto. Esta corriente es la que se requiere para producir flujo en un núcleo ferromagnético real.
Consta de dos componentes:
- La corriente de magnetización im, que es la que se requiere para producir el flujo en el núcleo del transformador.
- La corriente de pérdidas en el núcleo ih+e, que es la que se requiere para compensar la histéresis y las pérdidas de corrientes parásitas.
Teoría de operación de transformadores monofásicos reales
oscarrosete.com
30/09
Hay que tomar en cuenta los siguientes aspectos de la corriente de magnetización
1. La corriente de magnetización en el transformador no es sinusoidal.
2. El componente fundamental de la corriente de magnetización atrasa 90° el voltaje aplicado al núcleo

Teoría de operación de transformadores monofásicos reales
oscarrosete.com
30/09
Hay que tomar en cuenta los siguientes aspectos de la corriente de pérdidas en el núcleo.
1. La corriente de pérdidas en el núcleo es no lineal debido a los efectos no lineales de la histéresis.
2. El componente fundamental de la corriente de pérdidas en el núcleo está en fase con el voltaje aplicado al núcleo.

Teoría de operación de transformadores monofásicos reales
oscarrosete.com
30/09
La corriente de vacío total en el núcleo se llama corriente de excitación del transformador.
Es simplemente la suma de la corriente de magnetización y de la corriente de pérdidas en el núcleo:


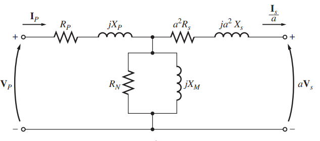
Circuito equivalente exacto
oscarrosete.com
30/09

Pérdidas en el cobre
El efecto más sencillo de evaluar son las pérdidas en el cobre (Rp y Rs).
Efectos de la excitación en el núcleo
La derivación de excitación se modela por la resistencia Rc (histéresis y pérdidas de núcleo) en paralelo con la reactancia Xm (la corriente de magnetización)
Circuito equivalente exacto
oscarrosete.com
30/09

Efecto de flujo disperso
Debido a que buena parte del recorrido del flujo disperso es a través del aire, y a que el aire tiene una reluctancia constante mucho mayor que la del núcleo.
Xp la reactancia debida a la inductancia de fuga del primario, y Xs la reactancia debida a la inductancia dispersa del secundario.
Circuito equivalente exacto
oscarrosete.com
30/09

Aunque la figura es un modelo exacto de un transformador, no es muy útil.
Para analizar circuitos prácticos que contienen transformadores casi siempre es necesario convertir todo el circuito en uno equivalente con un solo nivel de voltaje.
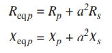
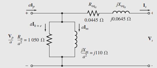
Circuito aproximado referido al primario
oscarrosete.com
30/09

Circuito aproximado referido al secundario
oscarrosete.com
30/09

Circuito aproximado omitiendo rama de excitación (lado primario)
oscarrosete.com
30/09



Tarea
oscarrosete.com
30/09
- Investigar y documentar
- Admitancia de excitación
- Prueba de circuito abierto en transformador
- Prueba de corto circuito en transformador
- Obención de circuito equivalente a partir de las pruebas mencionadas
- Resolver el siguiente ejercicio

Se requiere determinar las impedancias del circuito equivalente de un transformador de 20 kVA, 8 000/240 V, 60 Hz.
La prueba de circuito abierto se realizó en la prueba del circuito secundario del transformador (para reducir el voltaje máximo que se tenía que medir), y la prueba de cortocircuito se realizó en el lado primario del transformador (para reducir la máxima corriente que se tenía que medir).
Se tomaron los siguientes datos:
Resolución tarea
oscarrosete.com
30/09
- Halle Vo en el circuito de la figura
- Incluya simulación para comprobar a través de multisim live

Resolución tarea
oscarrosete.com
04/10


Siemens

Principios de electrotecnia. Circuitos monofásicos y trifásicos. César Pérez Suárez
Resolución tarea
oscarrosete.com
04/10
En la prueba de circuito abierto se deja abierto el circuito del devanado secundario del transformador y su devanado primario se conecta a una línea de voltaje pleno.
Stephen Chapman
Maquinas Electricas 5ta edicion

Resolución tarea
oscarrosete.com
04/10
En las condiciones descritas toda la corriente de entrada debe fluir a través de la rama de excitación hacia el transformador. Los elementos en serie RP y XP son demasiado pequeños en comparación con RN y XM como para causar una caída significativa de voltaje, por lo que esencialmente todo el voltaje de entrada cae a través de la rama de excitación



Resolución tarea
oscarrosete.com
04/10
Las conexiones de la prueba de circuito abierto se muestran en la figura. Se aplica una línea de voltaje pleno al primario del transformador y se miden el voltaje de entrada, la corriente de entrada y la potencia de entrada al transformador. (Esta medición se hace normalmente en el lado de bajo voltaje del transformador, ya que los voltajes más bajos son más fáciles de trabajar.) Con esta información se puede determinar el factor de potencia de la corriente de entrada y, por lo tanto, la magnitud y el ángulo de la impedancia de excitación.

Stephen Chapman
Maquinas Electricas 5ta edicion
Resolución tarea
oscarrosete.com
04/10
Stephen Chapman
Maquinas Electricas 5ta edicion
En la prueba de cortocircuito se hace un cortocircuito en las terminales de bajo voltaje de un transformador y las terminales de alto voltaje se conectan a una fuente de voltaje variable, como se muestra en la figura. (Esta medición se hace normalmente en el lado de alto voltaje del transformador, ya que las corrientes serán más bajas en aquel lado y las corrientes más bajas son más fáciles para trabajar.)

Resolución tarea
oscarrosete.com
04/10
Stephen Chapman
Maquinas Electricas 5ta edicion
Se ajusta el voltaje de entrada hasta que la corriente en los devanados en cortocircuito sea igual a su valor nominal. (Es necesario asegurarse de mantener el voltaje primario en un nivel seguro, pues no es una buena idea quemar los devanados del transformador en la prueba.)
De nuevo se miden el voltaje, la corriente y la potencia de entrada

Resolución tarea
oscarrosete.com
04/10
Stephen Chapman
Maquinas Electricas 5ta edicion
Debido a que el voltaje de entrada es tan bajo durante la prueba de cortocircuito, la corriente que fluye por la rama de excitación es despreciable. Si se ignora la corriente de excitación, entonces toda la caída de voltaje en el transformador se puede atribuir a los elementos en serie en el circuito.



Resolución tarea
oscarrosete.com
04/10
Stephen Chapman
Maquinas Electricas 5ta edicion
En la prueba de cortocircuito se hace un cortocircuito en las terminales de bajo voltaje de un transformador y las terminales de alto voltaje se conectan a una fuente de voltaje variable, como se muestra en la figura. (Esta medición se hace normalmente en el lado de alto voltaje del transformador, ya que las corrientes serán más bajas en aquel lado y las corrientes más bajas son más fáciles para trabajar.)
Se miden el voltaje, la corriente y la potencia de entrada.

Resolución tarea
oscarrosete.com
04/10
Se requiere determinar las impedancias del circuito equivalente de un transformador de 20 kVA, 8 000/240 V, 60 Hz.
La prueba de circuito abierto se realizó en la prueba del circuito secundario del transformador (para reducir el voltaje máximo que se tenía que medir), y la prueba de cortocircuito se realizó en el lado primario del transformador (para reducir la máxima corriente que se tenía que medir).
Se tomaron los siguientes datos:

Resolución tarea
oscarrosete.com
04/10

Modelo aproximado del transformador referido al lado primario

Ejercicios alumnos
oscarrosete.com
04/10
Se va a probar un transformador de 15 kVA y 2 300/230 V para determinar los componentes de la rama de excitación, sus impedancias en serie y su regulación de voltaje. Se obtuvieron los siguientes datos de las pruebas realizadas al transformador:
- Encuentre el circuito equivalente de este transformador referido al lado de alto voltaje.
- Encuentre el circuito equivalente de este transformador referido al lado de bajo voltaje.

Resolución en clase
oscarrosete.com
04/10
Se va a probar un transformador de 15 kVA y 2 300/230 V para determinar los componentes de la rama de excitación, sus impedancias en serie y su regulación de voltaje. Se obtuvieron los siguientes datos de las pruebas realizadas al transformador:
- Encuentre el circuito equivalente de este transformador referido al lado de alto voltaje.
- Encuentre el circuito equivalente de este transformador referido al lado de bajo voltaje.

Resolución en clase
oscarrosete.com
04/10


Primario
Secundario
Fundamento teórico
oscarrosete.com
04/10
Cuando se analiza un solo aparato (transformador o motor), se usan sus propios valores nominales como la base del sistema por unidad.
Si se utiliza un sistema por unidad basado en los valores nominales del transformador, las características del transformador de potencia o de distribución no cambiarán mucho dentro de una amplia gama de valores de voltaje y potencia.
Cantidades en por unidad
oscarrosete.com
04/10
La resolución de circuitos que contienen transformadores puede ser muy tediosa debido a la necesidad de referir a un nivel común todos los distintos niveles de voltaje en los diferentes extremos de los transformadores del sistema.
Únicamente después de ejecutar este paso se puede resolver el sistema en cuanto a sus corrientes y voltajes.
Cantidades en por unidad
oscarrosete.com
04/10
Hay otra manera de resolver circuitos que contienen transformadores, lo cual elimina la necesidad de las conversiones explícitas de los niveles de voltaje en cada transformador del sistema.
En cambio, las conversiones necesarias se realizan automáticamente por el método en sí, sin que el usuario se preocupe por las transformaciones de la impedancia.
Debido a que es posible evitar estas transformaciones de la impedancia, se pueden resolver fácilmente los circuitos que contienen varios transformadores con un menor margen de error. Este método de cálculo se conoce como sistema de medidas por unidad (pu).
Cantidades en por unidad
oscarrosete.com
04/10
En el sistema por unidad no se mide a los voltajes, corrientes, potencias, impedancias y otras cantidades eléctricas en las unidades tradicionales del SI (volts, amperes, watts, ohms, etc.). En cambio, se mide cada cantidad eléctrica como una fracción decimal de un nivel base. Cualquier cantidad se puede expresar en una base por unidad con la siguiente ecuación

Monofásico

Cantidades en por unidad
oscarrosete.com
04/10
En la figura se muestra un sistema de potencia simple que contiene un generador de 480 V que está conectado a un transformador elevador ideal de 1:10, a una línea de transmisión, a un transformador reductor ideal de 20:1 y a una carga. La impedancia de la línea de transmisión es de 20+j60 y la impedancia de la carga es de 10 ∠ 30° V.
Los valores base de este sistema son 480 V y 10 kVA en el generador.

Cantidades en por unidad
oscarrosete.com
04/10






Cantidades en por unidad
oscarrosete.com
04/10




Cantidades en por unidad
oscarrosete.com
04/10




Rcarga=8.66 ohms
I=23.71 A
Cantidades en por unidad
oscarrosete.com
04/10

Cantidades en por unidad
oscarrosete.com
04/10
Text
Actividad Asíncrona
Lectura hasta página 28
https://elibro.net/es/ereader/cetys/73537?page=20
Revisar siguiente presentación
https://slides.com/oscarrosete/potencia-semana2
Ver los siguientes videos
Cantidades en por unidad
oscarrosete.com
04/10
Text
Text
Entregable
Para los transformadores reales con los siguientes circuitos equivalentes obtenidos en los ejercicios de tarea, dibuje los circuitos equivalentes por unidad. Utilice los valores nominales del transformador como base del sistema.


Transformador 1(referido al primario)
Transformador 2 (referido al primario)
Agenda
2.1. Principio de operación de los transformadores y sus aplicaciones
2.2. El transformador ideal
2.3. Operación y pérdidas en un transformador real
2.4. Transformadores mono y trifásicos
2.5. El autotransformador
2.6. Transformadores para instrumentos
Extra: sistema por unidad
Unidad 2: Transformadores
oscarrosete.com
11/10
Entregable
Para los transformadores reales con los siguientes circuitos equivalentes obtenidos en los ejercicios de tarea, dibuje los circuitos equivalentes por unidad. Utilice los valores nominales del transformador como base del sistema.
Ejercicio tarea
oscarrosete.com
11/10


Transformador 1(referido al primario)
Transformador 2 (referido al primario)

Cuando se analiza un solo aparato (transformador o motor), se usan sus propios valores nominales como la base del sistema por unidad.
Si se utiliza un sistema por unidad basado en los valores nominales del transformador, las características del transformador de potencia o de distribución no cambiarán mucho dentro de una amplia gama de valores de voltaje y potencia.
Fundamento teórico
oscarrosete.com
11/10
Por ejemplo, normalmente la resistencia en serie de un transformador es alrededor de 0.01 por unidad, y por lo común la reactancia en serie está entre 0.02 y 0.10 por unidad.
En general, cuanto mayor es el transformador menores son sus impedancias en serie. La reactancia de magnetización normalmente está entre 10 y 40 por unidad, en tanto que la resistencia de pérdidas en el núcleo por lo regular está entre 50 y 200 por unidad.
Fundamento teórico
oscarrosete.com
11/10
Debido a que los valores por unidad dan una forma conveniente y significativa para comparar las características de los transformadores cuando son de diferentes tamaños, las impedancias del transformador normalmente se dan por unidad o como un porcentaje en la placa característica del transformador
Fundamento teórico
oscarrosete.com
11/10
Fundamento teórico
oscarrosete.com
11/10

Ejercicio tarea
oscarrosete.com
11/10

REGULACIÓN DE VOLTAJE Y EFICIENCIA DE UN TRANSFORMADOR
oscarrosete.com
11/10
Debido a que un transformador real tiene dentro de él impedancias en serie, el voltaje de salida de un transformador varía con la carga incluso cuando el voltaje de entrada permanece constante.
Para comparar convenientemente los transformadores en este aspecto, se acostumbra definir una cantidad llamada regulación de voltaje (RV). La regulación de voltaje a plena carga es una cantidad que compara el voltaje de salida de un transformador sin carga (en vacío) con el voltaje de salida a plena carga.
REGULACIÓN DE VOLTAJE Y EFICIENCIA DE UN TRANSFORMADOR
oscarrosete.com
11/10
La regulación de voltaje a plena carga es una cantidad que compara el voltaje de salida de un transformador sin carga (en vacío) con el voltaje de salida a plena carga.
La regulación de voltaje también se puede expresar como


REGULACIÓN DE VOLTAJE Y EFICIENCIA DE UN TRANSFORMADOR
oscarrosete.com
11/10
Si el circuito equivalente del transformador está en el sistema por unidad, entonces la regulación de voltaje se puede expresar como
Normalmente es deseable tener una regulación de voltaje tan pequeña como sea posible.
En el caso de un transformador ideal, RV=0%.

REGULACIÓN DE VOLTAJE Y EFICIENCIA DE UN TRANSFORMADOR
oscarrosete.com
11/10
Se pueden ignorar los efectos de la rama de excitación en la regulación de voltaje del transformador, por lo que se deben considerar sólo las impedancias en serie
Si se aplica la ley de voltaje de Kirchhoff al circuito equivalente


REGULACIÓN DE VOLTAJE Y EFICIENCIA DE UN TRANSFORMADOR
oscarrosete.com
11/10
El diagrama fasorial de un transformador es simplemente la representación visual de esta ecuación




F.p en adelanto(C)
F.p unitario
F.p en atraso(L)
REGULACIÓN DE VOLTAJE Y EFICIENCIA DE UN TRANSFORMADOR
oscarrosete.com
11/10
El diagrama fasorial de un transformador es simplemente la representación visual de esta ecuación

REGULACIÓN DE VOLTAJE Y EFICIENCIA DE UN TRANSFORMADOR
oscarrosete.com
11/10
A los transformadores también se les juzga y compara por su eficiencia. La eficiencia de un aparato se define por la ecuación
- Pérdidas en el cobre (I^2*R). Estas pérdidas las causan las resistencias en serie y el circuito equivalente.
- Pérdidas por histéresis.
- Pérdidas por corrientes parásitas.


REGULACIÓN DE VOLTAJE Y EFICIENCIA DE UN TRANSFORMADOR
oscarrosete.com
11/10
Para calcular la eficiencia de un transformador con una carga dada, simplemente adicione las pérdidas de cada resistor y aplique la ecuación. Ya que la potencia de salida está dada por


oscarrosete.com
11/10
Se va a probar un transformador de 15 kVA y 2 300/230 V para determinar los componentes de la rama de excitación, sus impedancias en serie y su regulación de voltaje. Se obtuvieron los siguientes datos de las pruebas realizadas al transformador:
Analice RV con f.p 0.8 en atraso, 0.8 en adelanto y 1
Determine la eficiencia con la RV más baja.

Ejercicio clase
oscarrosete.com
11/10
Un transformador de potencia monofásico de 5 000 kVA y 230/13.8 kV tiene una resistencia de 1% por unidad y una reactancia de 5% por unidad (estos datos se tomaron de la placa de características del transformador).
Los siguientes datos son el resultado de la prueba de circuito abierto que se realizó en el lado de bajo voltaje del transformador:

Ejercicio clase
15.1 A
44.9 kW
Ejercicio clase
oscarrosete.com
11/10
a) Encuentre el circuito equivalente referido al lado de bajo voltaje de este transformador.
b) Si el voltaje en el lado secundario es de 13.8 kV y la potencia suministrada es de 4 000 kW con un FP=0.8 en retraso, encuentre la regulación de voltaje del transformador.
Determine su eficiencia.
Ejercicio clase
oscarrosete.com
11/10


Ejercicio clase
oscarrosete.com
11/10
Un transformador de potencia monofásico de 150 MVA y 15/200 kV tiene una resistencia de 1.2% por unidad y una reactancia de 5% por unidad (estos datos se tomaron de la placa de características del transformador).
La impedancia de magnetización es de j80 por unidad.
a) Encuentre el circuito equivalente referido al lado de bajo voltaje del transformador.
b) Calcule la regulación de voltaje de este transformador con una corriente a plena carga y un factor de potencia de 0.8 en retraso.
c) Calcule las pérdidas de cobre y núcleo en el transformador en las condiciones del inciso y determine la eficiencia.

Autotransformador
oscarrosete.com
11/10
En ciertas ocasiones es deseable cambiar los niveles de voltaje únicamente en una pequeña cantidad.
Por ejemplo, puede ser necesario aumentar el voltaje de 110 a 120 V o de 13.2 a 13.8 kV. Estos pequeños incrementos pueden ser necesarios debido a una caída de voltaje en un sistema de potencia localizado lejos de los generadores.
Autotransformador
oscarrosete.com
11/10
En tales circunstancias es un desperdicio y demasiado costoso elaborar un transformador con dos devanados completos dimensionados para casi el mismo voltaje.
En su lugar, se utiliza un transformador de propósito especial llamado autotransformador.

Autotransformador
oscarrosete.com
11/10
Se muestra el diagrama de un autotransformador elevador. En la figura izquierda se ven las dos bobinas del transformador de manera convencional.
En la figura se observa el primer devanado conectado de manera aditiva al segundo devanado. Ahora, la relación entre el voltaje en el primer devanado y el voltaje en el segundo devanado está dada por la relación de vueltas del transformador. Sin embargo, el voltaje de salida del transformador es la suma del voltaje en ambos devanados

Autotransformador
oscarrosete.com
11/10
En este caso, el primer devanado se llama devanado común debido a que su voltaje aparece en ambos lados del transformador.
El devanado más pequeño se llama devanado en serie debido a que está conectado en serie con el devanado común

Autotransformador
oscarrosete.com
11/10
Se muestra un diagrama de un autotransformador reductor. En este caso el voltaje de entrada es la suma de los voltajes en el devanado en serie y en el devanado común, mientras que el voltaje de salida es sólo el voltaje en el devanado común

Autotransformador
oscarrosete.com
11/10
El voltaje en la bobina común se llama voltaje común VC y la corriente en la bobina se llama corriente común IC. El voltaje en la bobina en serie se llama voltaje en serie VSE y la corriente en esa bobina se llama corriente en serie ISE.
El voltaje y la corriente en el lado de bajo voltaje del transformador se llaman VL e IL, respectivamente, mientras que las cantidades correspondientes en el lado de alto voltaje del transformador se llaman VH e IH.

Autotransformador
oscarrosete.com
11/10




Ejemplo ilustrativo
oscarrosete.com
11/10



Se conecta un transformador de 100 VA y 120/12 V para conformar un autotransformador elevador. Si aplica un voltaje primario de 120 V al transformador.

Ejemplo ilustrativo
oscarrosete.com
11/10
Se conecta un transformador de 100 VA y 120/12 V para conformar un autotransformador elevador. Si aplica un voltaje primario de 120 V al transformador.

a)¿Cuál es el voltaje secundario del transformador?
b) ¿Cuál es su capacidad máxima en voltamperes en este modo de operación?
c) Calcule la ventaja nominal de esta conexión como autotransformador sobre la ventaja nominal en una operación convencional de 120/12 V.
Ventaja
oscarrosete.com
11/10
Por ejemplo, un autotransformador de 5 000 kVA que conecta un sistema de 110 kV a un sistema de 138 kV tendría una relación de vueltas NC/NSE de 110:28. Este autotransformador debería tener devanados dimensionados para cerca de 1 015 kVA, mientras que un transformador convencional necesitaría devanados dimensionados para 5 000 kVA.
El autotransformador podría ser cinco veces más pequeño que el transformador convencional y también sería mucho menos costoso.
Consideraciones
oscarrosete.com
11/10
Por lo regular no es posible conectar simplemente un transformador ordinario como autotransformador.
Debido a que el aislamiento en el lado de bajo voltaje del transformador ordinario no es lo suficientemente fuerte como para soportar todo el voltaje de salida de la conexión como autotransformador.
En los transformadores que se construyen de manera específi a como autotransformadores, el aislamiento en la bobina más pequeña (el devanado en serie) es tan fuerte como el aislamiento en la bobina más grande.
Desventaja
oscarrosete.com
11/10
La principal desventaja de los autotransformadores es que a diferencia de los transformadores ordinarios hay una conexión física directa entre el circuito primario y el secundario, por lo que se pierde el aislamiento eléctrico en ambos lados.
Si una aplicación particular no requiere de aislamiento eléctrico, entonces el autotransformador es una forma conveniente y barata de unir dos voltajes muy parecidos.
Cuestiones de seguridad
oscarrosete.com
11/10
Desventaja
oscarrosete.com
11/10
Los autotransformadores tienen una desventaja más en comparación con los transformadores convencionales.
La impedancia efectiva por unidad de un autotransformador es menor por un factor igual al inverso de la ventaja de potencia de la conexión como autotransformador.
puede ser un grave problema en algunas aplicaciones en las que se requiere de la impedancia en serie para limitar los flujos de corriente durante las fallas del sistema de potencia (cortocircuitos).
Ejemplo ilustrativo
oscarrosete.com
11/10
Un transformador está dimensionado para 1 000 kVA, 12/1.2 kV y 60 Hz cuando opera como un transformador convencional con dos devanados. En estas condiciones, su resistencia y reactancia en serie son de 1 y 8%, respectivamente. El transformador se utilizará como un transformador reductor a 13.2/12 kV en un sistema de distribución de potencia. En la conexión como autotransformador:
a) ¿cuál es la capacidad nominal cuando se utiliza de esta manera?
b) ¿cuál es la impedancia en serie del transformador en el sistema de medidas por unidad?
Ejercicio alumno
oscarrosete.com
11/10
Un transformador convencional de 10 kVA, 480/120 V se utiliza para suministrar potencia de una fuente de 600 V a una carga de 120 V.
Considere que el transformador es ideal y suponga que su aislamiento puede soportar hasta 600 V.
a)Dibuje la conexión del transformador para este efecto. b)Calcule el valor nominal en kilovoltamperes del transformador con esa configuración.
c)Encuentre las corrientes máximas primarias y secundarias en estas condiciones

Referencia Adicional
oscarrosete.com
11/10
Exposiciones Jueves
oscarrosete.com
11/10
- Transformadores para instrumentos
- Motor de fase partida
- Motor de arranque por condensador
- Motor de polos partidos.
- Motor Universal
Requerimientos
- Principio de operación
- Ejemplo de su análisis eléctrico
- Como realizar su conexión eléctrica
- Criterios de Selección, buscar componente real
- Ejemplo de aplicación real
Equipos 2 personas , día Jueves 25/10/20, duración esperada: 15-30 minutos
Agenda
oscarrosete.com
2/11
3.1. Principio de operación del motor monofásico
3.2. Motores de inducción monofásicos y sus aplicaciones
3.2.1. Motor de fase partida
3.2.1. Motor de arranque por condensador
3.2.1. Motor de polos partidos.
Unidad 3: Motores monofásicos de corriente alterna
Objetivo General
oscarrosete.com
2/11
Identificar el principio de operación del motor de inducción monofásico y clasificarlos en función a su potencia y tipo de arranque, para seleccionar el motor adecuado en función a la aplicación demandada.
Objetivos específicos
oscarrosete.com
2/11
- Describir el principio de operación de los motores de inducción monofásicos.
- Identificar el funcionamiento de los distintos dispositivos de arranque en los motores monofásicos.
- Seleccionar el tipo de motor adecuado en función a las aplicaciones requeridas.
Máquinas rotativas de corriente alterna
oscarrosete.com
2/11

Máquinas síncronas
oscarrosete.com
2/11
Las máquinas rotativas de corriente alterna se clasifican en:
Síncronas: Son aquellas en las que el rotor gira a la velocidad de sincronismo.
La velocidad de giro del rotor es la misma que la velocidad de giro del campo magnético.
Máquinas síncronas
oscarrosete.com
2/11
Circuito magnético de las máquinas síncronas
Esta constituido por dos partes, una ubicada en el estator y otra en el rotor. En este caso, a diferencia de la máquina de corriente continua, la armadura está en la parte fija o estator, y la culata en la parte móvil o rotor.

Máquinas síncronas
oscarrosete.com
2/11
Así, el circuito magnético fijo es la armadura, que está formada por un apilamiento de chapas magnéticas embutido en la carcasa del estator. Está ranurada axialmente para permitir alojar en ella las bobinas del devanado inducido. Las ranuras pueden tener diferentes tamaños y formas en función del tipo y de la potencia de la máquina

Máquinas síncronas
oscarrosete.com
2/11
Las máquinas síncronas tienen dos circuitos eléctricos: el inductor y el inducido. Sin embargo, la principal diferencia respecto a las primeras está en que la disposición de los devanados está invertida,
El inducido en el estator y el inductor en el rotor.
Máquinas síncronas
oscarrosete.com
2/11
Circuito inductor
Es el encargado de generar el campo magnético de excitación. Se encuentra bobinado sobre el rotor formando un número fijo de polos, que en el recorrido de su contorno deben ser de signo alternativo, es decir, N,S,N,S,etc.
El número de polos se define en el momento de la construcción del rotor, por tanto, si la máquina ha sido diseñada para 4 polos, no se podrá utilizar para un número diferente.
Ejemplo número de polos
oscarrosete.com
2/11
There are four magnetic poles on the rotor (the inner part that turns with the shaft): two north poles and two south poles. Magnetic poles will always come in sets of two (one north and one south). Therefore, number of poles will be even multiples of two: 2, 4, 6, 8, 10,etc.
The Speed of the shaft is related to the number of electrical poles and the system frequency as given by this equation:

Máquinas síncronas
oscarrosete.com
2/11
Se denomina entrehierro al espacio que existe entre la armadura y el rotor.

Máquinas síncronas
oscarrosete.com
2/11
Circuito inductor

Máquinas síncronas
oscarrosete.com
2/11
El colector de anillos/ anillos colectores/ anillos rozantes
La alimentación del circuito del rotor en una máquina síncrona no requiere conmutación. Por este motivo no es necesario montar en él un sistema complejo como un colector de delgas(c.d.) La conexión se realiza mediante un par de anillos que alimentan cada uno de los terminales del devanado inductor, y sobre los que se apoyan las escobillas.
Máquinas síncronas
oscarrosete.com
2/11
Desde el punto de vista del mantenimiento, el colector de anillos y sus escobillas son mucho más duraderos que sus equivalentes en las máquinas de corriente continua. Al no haber conmutación, el desgaste por contacto eléctrico es mínimo.

Máquinas síncronas
oscarrosete.com
2/11
Máquinas síncronas
oscarrosete.com
2/11
El circuito inducido
El devanado del inducido se encuentra alojado en el estator y, en función del número de fases para el que ha sido diseñado, puede ser monofásico, bifásico o trifásico.
El inducido de una máquina trifásica síncrona, así como el de una asíncrona, está formado por tres devanados, uno por fase, que se entrelazan entre sí siguiendo un diseño geométrico a través de las ranuras de la armadura
El número de polos del inducido debe ser el mismo que el número de polos del devanado de excitación o inductor.
Máquinas síncronas
oscarrosete.com
2/11
La caja de bornes
Desde el interior de la máquina a la caja de bornes llegarán 8 conductores. Seis de ellos pertenecen a los devanados del inducido(dos por fase ocho) y dos son los procedentes del portaescobillas que alimentan el circuito inductor.

Máquinas síncronas
oscarrosete.com
2/11
Para etiquetar los distintos terminales se usan las letras U,V,W seguidas de un número, que indica si el terminal es un principio o un final. U1-U2, corresponden a los terminales del devanado de una de las fases.
De igual forma, la conexión entre los devanados de una máquina síncrona puede hacerse en estrella o en triángulo, teniendo en cuenta la relación entre tensiones de fase y línea.

Máquinas síncronas
oscarrosete.com
2/11
El principal uso de la máquina síncrona es como generador de corriente alterna, recibiendo en este caso el nombre de alternador.

Motor vs Generador
oscarrosete.com
2/11

Los generadores cambian la energía mecánica en energía eléctrica, en tanto que los motores cambian la energía eléctrica en energía mecánica. Son muy parecidos, están construidos de la misma forma general y, ambos, dependen de los mismos principos electromagnéticos.
Generador vs Motor
oscarrosete.com
2/11

La excitación de un alternador puede conseguirse de diferentes formas: sistemas estáticos de alimentación (baterías) o mediante un sistema de generación o excitatriz acoplado al propio eje de la máquina.
Generador vs Motor
oscarrosete.com
2/11

Si se aplica al eje una fuerza motriz a la vez que se alimenta el circuito de excitación con una fuente externa de Vcc, se obtiene en sus bornes una tensión alterna trifásica, cuya frecuencia depende de la velocidad de giro.
Generador vs Motor
oscarrosete.com
2/11
Los alternadores son los encargados de producir la mayor parte de la energía eléctrica que utilizamos en la actualidad. Estos se encuentran en las centrales de producción elécctrica y son movidos utilizando sistemas hidráulicos, eólicos o por vapor a presión.
La mayoría de los alternadores son de tipo trifásicos, sin embargo para baja potencia, pueden ser monofásicos o bifásicos.

Generador vs Motor
oscarrosete.com
2/11
La armadura se gira por un elemento que se denomina primomotor, que dependiendo de la fuente primaria de energia puede estar accionada por agua, vapor, turbinas de viento o motores a gasolina o diesel.

Generador
oscarrosete.com
2/11
El voltaje generado se aplica a la carga externa alimentada a través de un transformador o tableros, como se muestra en la figura

Generador
oscarrosete.com
2/11
Generador
oscarrosete.com
2/11
Text

Suponiendo que el primomotor se acopla al rotor de un generador, si la fuerza de giro no es suficientemente grande, no gira el rotor, aun cuando se aplica un par, no hay potencia mecánica, para obtenerla se debe tener movimiento. La potencia es la capacidad de usar energía, la potencia mecánica depende de la velocidad y el par.
Generador
oscarrosete.com
2/11
Text

En el sistema métrico de unidades, la potencia mecánica se mide en watts (W) y la velocidad del rotor generalmente se mide en revoluciones por minuto (r.p.m)
La ecuación para el cálculo de la potencia es:
Generador
oscarrosete.com
2/11
Text
En el sistema ingles de unidades, la potencia mecánica se mide en caballos de fuerza (HP).
La ecuación para el cálculo de la potencia es:

Generador
oscarrosete.com
2/11
Text


Generador
oscarrosete.com
2/11
Text
El voltaje inducido
En la medida que el rotor gira a una velocidad constante, se induce una onda senodial de voltaje, el valor de este voltaje depende de la velocidad del rotor, a mayor rapidez el voltaje es mayor. también depende de la intensidad de campo magnético, a mayor intensidad, mayor voltaje inducido.
Generador
oscarrosete.com
2/11
Text
Para un generador trifásico, se deben tener tres bobinas de armadura que están desplazadas entre si 120, a cada una de las bobinas se les denomina fase. se designan tres fases: fase A, fase B y fase C.


Generador
oscarrosete.com
2/11

La magnitud del voltaje en cada fase se calcula como

Generador
oscarrosete.com
2/11

Formas de onda del voltaje generado en un generador trifásico


Generador
oscarrosete.com
2/11

Generador
oscarrosete.com
2/11

Máquinas rotativas de corriente alterna
oscarrosete.com
2/11

Máquinas asíncronas
oscarrosete.com
2/11
Máquinas asíncronas o de inducción funcionan a una velocidad diferente (inferior) a la de sincronismo. El funcionamiento como motor es el principal uso de las máquinas asíncronas. No obstante, se utilizan con regularidad como generadores.

Máquinas asíncronas
oscarrosete.com
2/11
De la misma forma que las máquinas síncronas, las asíncronas están formadas por un circuito magnético y dos circuitos eléctricos, además de otros elementos como son: la carcasa, escudos, tapas, base de fijación, etc.

Estator
oscarrosete.com
2/11
El estator de una máquina síncrona es similar al de una máquina asíncrona, incluso puede ser el mismo

Rotor
oscarrosete.com
2/11
En cuanto al rotor puede ser de dos tipos:



Rotor
oscarrosete.com
2/11
En cuanto al rotor puede ser de dos tipos:


Máquinas asíncronas
oscarrosete.com
2/11
Copy of Conversion Electromecanica Unidad 2
By Oscar Rosete
Copy of Conversion Electromecanica Unidad 2
- 677









